Ihr Partner für
Werkzeugmaschinen
Suche
+49 341 520460
info
wmwag
de
de
en
de
ru
pl
es
Home
Gebrauchtmaschinen
Maschinen
Anlagen
Maschinenankauf
Maschinenanfrage
Industriegüter
Maschinenbau
Überholung & Modernisierung
Aktuelle Projekte
Referenzen
Service & Reparatur
Leistungen
Referenzen
Über uns
WMW kurz vorgestellt
Kontakt & Anfahrt
Referenzen
Jobs
Presse
»
Maschinenbau-Wiki
»
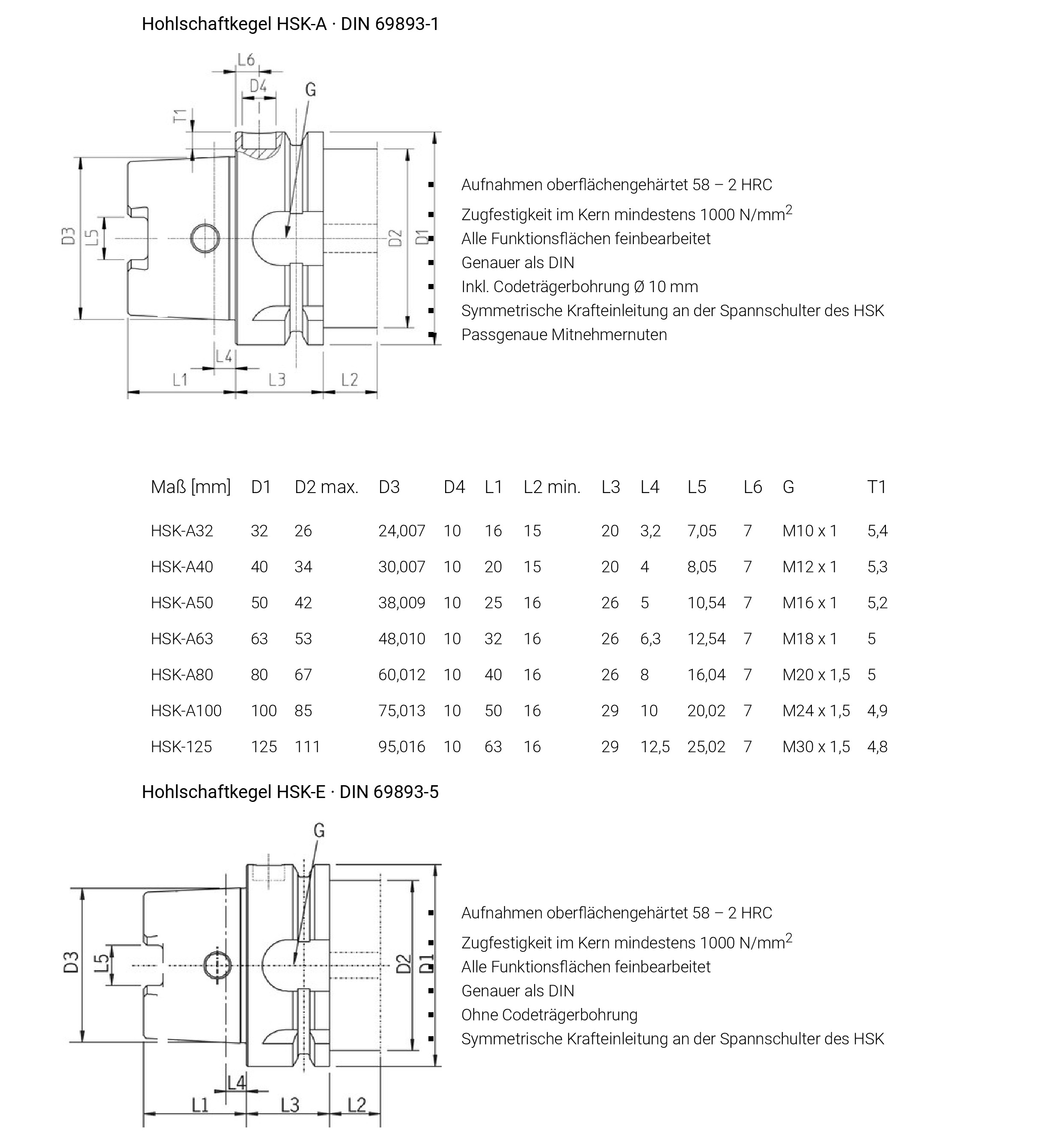
Technische Spezifikationen DIN 69893- HSK Werkzeughalter
…
Technische Spezifikationen DIN 69893- HSK Werkzeughalter
Wiki-Überblick