Your partner
for machine tools
Search
+49 341 520460
info
wmwag
de
en
en
de
ru
pl
es
Home
Used machines
Machines
Plants & components
Purchase of machinery
Machine enquiry
Industrial goods
Mechanical Engineering
Overhaul and modernization
Current projects
References
Service & repair
Services
References
About Us
Overview
Contact & directions
References
Jobs
Press
»
Wiki for mechanical engineering
»
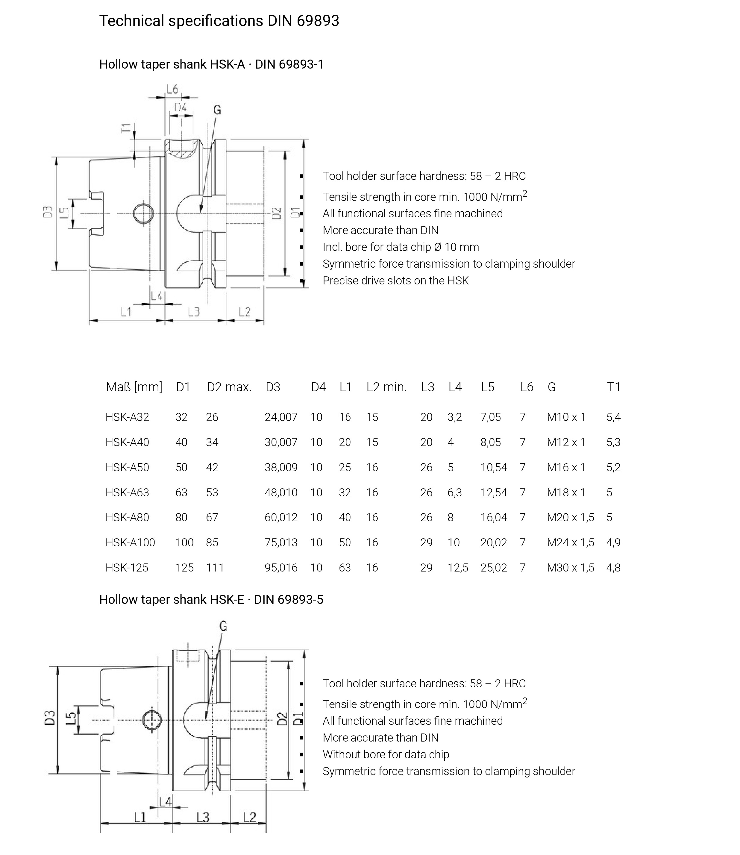
Technical specifications DIN 69893- HSK tool holder
…
Technical specifications DIN 69893- HSK tool holder
Wiki Overview